其它栏目
          联系我们
米兰体育下载(中国)官方网站登录入口
地址:河北省青县盘古镇堤下头工业园区
电话:0317-4162998
传真:0317-4261031
网址:www.lazzgourmet.com
邮箱:shengongfr@126.com
邮编:062650
 当前位置:米兰体育下载(中国)官方网站登录入口 - 其他内容 - 技术文档
 
  5. Thread-clipping  
     
更新时间:2008.09.09 浏览次数:
 

5. Thread-clipping

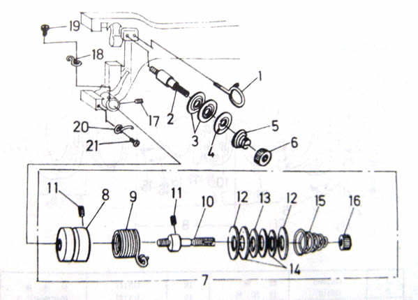
1

GR256

Thread-passing ring

12

GR209

Thread-passing pressing board

2

GS121

Thread-clipping screw

13

GP102

Thread-passing wheel

3

R56

Thread-clipping board

14

GR210

Asphalt felt ring of threading-passing wheel

4

R57

Thread-loosing board

15

GW102

Thread-passing spring

5

GW115

Thread-clipping spring

16

GL103

Thread-passing nut

6

GL103

Thread-clipping nut

17

GS106

Screw for locking thread-passing device

7

GR278/11

Thread-passing device

18

GW110

Thread-stopping spring

8

GR257

Thread-passing support

19

GS161

Screw of thread-stopping spring

9

GW109

Thread-picking spring

20

GR241

Thread-stopping of needle bar

10

GS122

Thread-passing screw

21

GS144

Screw of thread-stopping of needle bar

11

GS152

Screw for locking thread-passing device

 

 

 

 

Copyright 2011-2012 米兰体育下载(中国)官方网站登录入口 All rights reserved. 冀ICP备10014943号-3
地址:河北省青县盘古镇堤下头工业园区 电话:0317-4162998 传真:0317-4261031
邮箱:shengongfr@126.com 邮编:062650 网址:www.lazzgourmet.com