其它栏目
          联系我们
米兰体育下载(中国)官方网站登录入口
地址:河北省青县盘古镇堤下头工业园区
电话:0317-4162998
传真:0317-4261031
网址:www.lazzgourmet.com
邮箱:shengongfr@126.com
邮编:062650
 当前位置:米兰体育下载(中国)官方网站登录入口 - 其他内容 - 技术文档
 
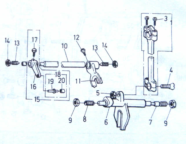
  8. Tooth-lifting  
     
更新时间:2008.09.09 浏览次数:
 

8. Tooth-lifting

1

GH129/3

Large connecting rod

11

GS157

Screw of tooth-fork for tooth-lifting

2

GS156

Screw of large connecting rod

12

GS169

Large fixing screw

3

GS166

Connecting screw of large connecting rod

13

GL109

Large fixing nut

4

GL105

Connecting nut of large connecting rod

14

GH133/4

Tooth-lifting shaft arm

5

GH131

Swinging shaft

15

GH134

Body of tooth-lifting shaft arm

6

GS174

Central swinging shaft

16

GS157

Screw of tooth-lifting shaft arm

7

GS175

Sleeve of central swinging shaft

17

GU111/2

Tooth-lifting rotating column

8

GL109

Nut of central swinging shaft

18

GU112

Axle of tooth-lifting rotating column

9

GZ223

Tooth-lifting axle

19

GU118

Sleeve of axle of tooth-lifting rotating column

10

GH132

Tooth-fork for tooth-lifting

 

 

 

 

Copyright 2011-2012 米兰体育下载(中国)官方网站登录入口 All rights reserved. 冀ICP备10014943号-3
地址:河北省青县盘古镇堤下头工业园区 电话:0317-4162998 传真:0317-4261031
邮箱:shengongfr@126.com 邮编:062650 网址:www.lazzgourmet.com