其它栏目
          联系我们
米兰体育下载(中国)官方网站登录入口
地址:河北省青县盘古镇堤下头工业园区
电话:0317-4162998
传真:0317-4261031
网址:www.lazzgourmet.com
邮箱:shengongfr@126.com
邮编:062650
 当前位置:米兰体育下载(中国)官方网站登录入口 - 其他内容 - 技术文档
 
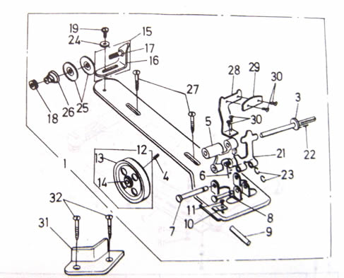
  9.Winding machine  
     
更新时间:2008.09.09 浏览次数:
 

九.Winding machine

1

GR165/30

Winding machine

17

GL103

Passing thread clipping thread nut

2

GL1166

Winding ring base

18

GS309

Passing thread bracket screw

3

GZ224

Winding shaft

19

GS279

Passing screw

4

GS134

Winding wheel screw

20

GS22

Full thread springboard screw

5

GR226

Winding bracket

21

GR862

Full thread springboard

6

GW114

Winding bracket spring

22

GX104

Winding thread shaft pin

7

GX120

Winding bracket pin

23

GR273

Ring of winding and full thread pin

8

GX119

Full thread spring pin

24

GR122

Passing thread bracket washer

9

GR201

Winding brake washer

25

R56

Passing thread clipping thread plate

10

GR228

Winding brake clip

26

W12

Passing thread clipping thread spring

11

GS137

Winding brake screw

27

GBS101

Winding machine wood screw

12

GP121/2

Winding wheel

28

GR229

Arranging thread bracket base

13

GP122

Winding wheel ring

29

GR130

Arranging thread plate

14

GP123

Winding wheel shaft sleeve

30

GS137

Arranging thread bracket screw

15

GR1162/2

Passing thread bracket

31

GR264

Machine head fixing bracket

16

GR1163

Passing thread bracket base

32

GBS101

Machine head fixing wood screw

 

Copyright 2011-2012 米兰体育下载(中国)官方网站登录入口 All rights reserved. 冀ICP备10014943号-3
地址:河北省青县盘古镇堤下头工业园区 电话:0317-4162998 传真:0317-4261031
邮箱:shengongfr@126.com 邮编:062650 网址:www.lazzgourmet.com